
DC sõjalised fännid
Osa number: J54FZW25G-C
Kalvekujundus: kuuli laager
Raami ja labade materjal: alumiiniumsulam
Kaal: 115 g
Kasutusplatvorm: õhus
Kirjeldus
Üksikasjalikud tooted toodete kohta
Perseuse sõjaväe jahutusfännid arendatakse ja toodetakse rangelt vastavalt Hiina riikliku sõjaväestandardi (GJB) nõuetele. Pärast paljude aastate jooksul kasutajate kogemusi ja kolmanda osakonna organisatsioonide testimist on tooteomadused täielikult kooskõlas temperatuuri mõju, kiirenduste, löökide, vibratsiooni, soojuse, õhuniiskuse, elektromagnetilise ühilduvuse, laia pinge ({0}} aste) nõuetega, soolases udus, märg soojus ja happeline atmosfäär.
Õhus kasutatakse Perseus DC jahutusventilaatorit, kuid neid saab kasutada ka muudes jäikades tingimustes, näiteks maapealsed sõjaväe sõidukid, pinnalaevad ja raudtee.
Mõned toote tooted hõlmavad kiiruskiiruse andureid, kiiruse juhtimist, tõrgete tuvastamist, praegust piirangut ja paljusid muid kohandajad. Mõned meie toodete rakendused hõlmavad lennunduse jahutamist, elektroonilist jahutamist, optikajahutamist ja laseri jahutamist. Salongi Perseuse fännid pakuvad täiustatud meediumi inimese kooseksisteerimist ja masinat, et vähendada varjupaigas mürataset. Perseuse teadus- ja arendustegevuse meeskond on arendanud kabiini fännid, mis võib müra taset vähendada sarnaste fännidega võrreldes 5% ~ 15%. Perseus divocle jahutusfännid pakuvad teiste fännidega võrreldes suurepärase müra languse.
Täielik pärast -saate teenindus, on palju aastaid tööstuse ja maine kogemusi Perseuse vastutavaks iga klientide omandatud toote eest. Perseus pakub tasuta tagasitulekut ja vahetust ühe aasta jooksul.
Tooteteave
Toote nimi: sõjalise taseme jahutusfännide jahutusfännid
Osa number: J54FZW25G-C
Kalvekujundus: kuuli laager
Raami ja labade materjal: alumiiniumsulam
Kaal: 115 g
Kasutusplatvorm: õhus
Keskkonnakohandusstandard
Soolapihustus: ① neutraalne soolapihusti 96 tundi; ② hapud soolalahusega pihusti 192H.
Toiteallika omadused: GJB181B -2012
Elektromagnetiline ühilduvus: CE102: vastavalt GJB151B -2013; RE102: vastavalt GJB 151B -2013 ① Liikumatu tiibu sees on pea ja saba vaheline kaugus alla 25 m; ② väljaspool fikseeritud tiiba või kopterit
|
Säilitustemperatuur |
Töötemperatuur |
Seen |
Märg soe |
Vihm |
Liiv ja tolm |
Šokk |
Vibratsioon |
Temperatuurilöök |
|
-55 kraad ~ +85 kraad |
-55 kraad ~ +85 kraad |
28d |
10D |
√ |
√ |
30G |
G (keskmise -järluväärtus) =9, 844 g |
3 korda |
P & Curve Q (nominaalpinge juures)

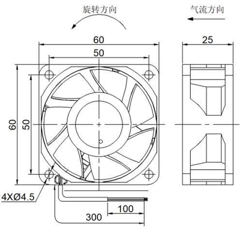
Mõõtmed (MM)

Tehniline kirjeldus
|
Osa number |
Pinge (C) |
Võim (BT) |
Kiirus (pöörete arvu) |
Õhuvool |
Tuulerõhk |
Müra (db (a)) |
Tagasiside signaal |
Kiirusjuhtimine |
Soolapihustus |
Toiteallika omadused |
CE102 |
RE102 |
||
|
CFM |
m3/h |
mm vesi. Kunst. |
Pa |
|||||||||||
|
J54fzw 39-25 g-ac |
12 |
10.32 |
9000 |
47.3 |
80.31 |
22.8 |
223.4 |
55.0 |
Rd |
Läikiv |
① |
- |
√ |
② |
|
J54fzw 49-25 g-ac |
24 |
10.32 |
9000 |
47.4 |
80.31 |
22.8 |
223.4 |
55.0 |
Rd |
Läikiv |
① |
√ |
√ |
② |
|
J54fzw 59-25 gc |
28 |
10.32 |
9000 |
47.4 |
80.31 |
22.8 |
223.4 |
55.0 |
Rd |
Läikiv |
① |
√ |
||
Kuum tags: DC sõjaväefännid, Hiina sõjaväe DC fännide tootjad, tarnijad, tehas





